川藏铁路雅安至林芝段-重点桥梁工程简介
发布日期:2021-10-08
川藏铁路雅安至林芝段新建正线长度1005.62km,其中四川省境内长度470.804km,西藏自治区 境内长度534.816kmkm。正线桥隧总长970.46km,占线路总长度的96.5%,其中:桥长127.19km,占 正线路长度的12.45%,隧道长845.27km,占正线长度的84.05%。

一、大渡河特大桥
地理位置
大渡河桥位于四川省泸定县境内,县城北侧。

地形地貌
桥址区地形高差悬殊,坡陡谷深,为典型高山峡谷地貌,两岸坡度约45°,覆盖层 为崩坡积物堆积体,下伏基岩为闪长岩、石英闪长岩。

大坪上桥位(成都侧) 大坪上桥位(拉萨侧)
桥型方案
大桥采用钢桁梁悬索桥方案,主缆跨度为(260+1060+260)m,主梁跨度为 (90+1060+130)m,采用隧道锚结构,桥上设 站台,四线铁路桥,桥长 1280m。

效果图(来源见图示)

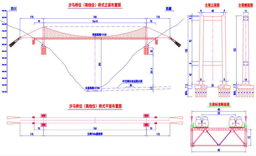
二、金沙江特大桥
地理位置
金沙江桥位于贡觉县罗麦乡附近,巴塘站至贡觉站之间。

地形地貌
桥址区地形受金沙江强烈侵切,切割深度大于1500米,山高谷深,地形陡峻,沟 谷呈V型,坡度大于50度;地貌为构造侵蚀高山地貌。

沙马桥位 宗嘎隆桥位
桥型方案
根据总体院提供沙马桥位不同线位高程,研究了大跨度悬索桥方案和钢拱桥方案。
(1)悬索桥方案
悬索桥方案桥面设计高程为3100m,根据桥位处地形条件,桥面处峡谷宽约900m,采用悬索桥方案较为合理。主桥暂采用主跨760m钢桁梁悬索桥。

(2)钢拱桥方案
钢拱桥方案桥面设计高程为3000m,桥面处峡谷宽约620m。根据两岸地形条件,拱座基础宜避开陡崖,设置在崖顶上方,大桥采用主跨500m钢拱桥方案。

效果图(来源见图示)

三、怒江特大桥
地理位置
怒江桥位于西藏自治区八宿县同卡镇。

地形地貌
桥址区地形受怒江切割较深,山高谷深,地形陡峻,沟谷呈“U”型,坡度大于50度;在漫长的差异性隆升过程中,形成了山地挟持河谷的构造侵蚀高山地貌。

同卡水电站上游桥位 同卡水电站下游桥位
桥型方案
大桥采用钢桁梁悬索桥方案,主缆跨度为(250+ 1040+250)m,主梁跨度为 (80+1040+80)m,采用隧道锚结构,双线铁路桥,桥长1200m。

效果图(来源见图示)

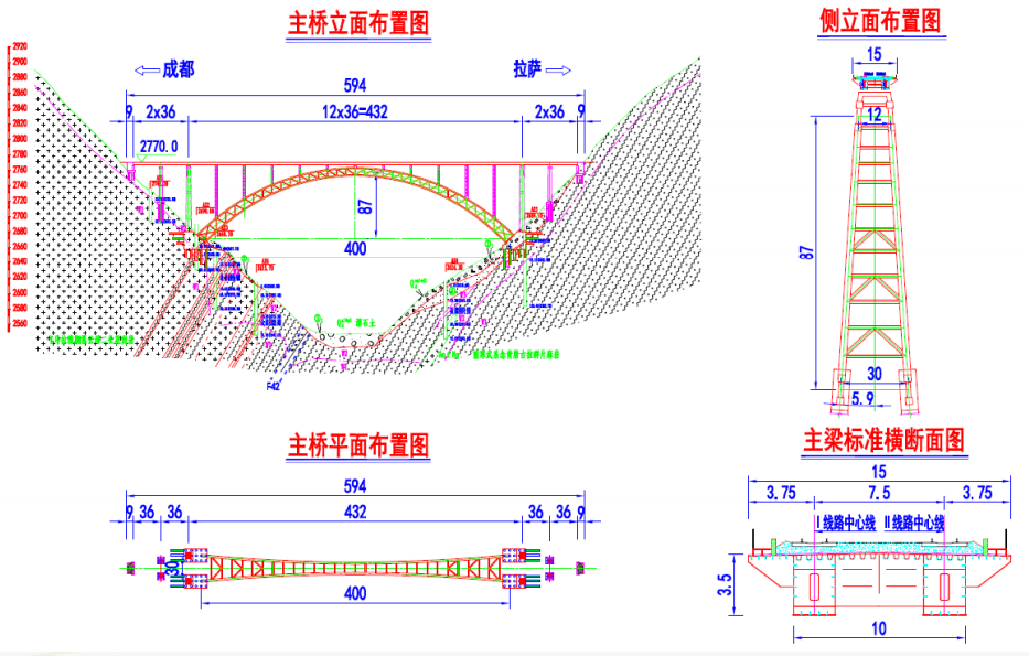
四、东久曲特大桥
地理位置
东久曲桥位于西藏自治区林芝市境内,通麦车站至鲁朗车站之间。

地形地貌
桥址区为典型的深切V型峡谷。桥址处雅安侧岩石倾角约45°,岸坡陡峭,坡脚处 有部分岩石裸露,有大量落石,坡上及山顶植被茂密;林芝侧坡面较陡,植被茂密。

桥型方案
主桥采用主跨 400m上承式钢桁拱方案,桥长594m。拱肋、主 梁、拱上立柱采用钢结构,拱座采用扩大基础。

效果图(来源见图示)

